產品介紹
垂直振動提升機可以對一切顆粒狀、塊狀、粉狀的固體物料(粘度不大)都可以輸送,是我廠生產的一種新型的垂直振動輸送設備。采用振動電機作振動源,利用兩振動電機的合成振幅,將物料沿螺旋輸送槽向上輸送。垂直振動提升機結構簡單,維修容易,物料定量送出,輸送量連續可調,可作為各行業中,小顆粒物料的垂直輸送之用.除具有從下向上提升物料外,還可以完成對物料的干燥、冷卻作用.分開槽式、封閉式兩種結構,并可根據不同工藝的要求,設計物料顆粒分級作用的篩選提升機及設計易燃易爆物料的提升機。在化 工、橡膠、塑料、醫藥、輕工、食品、冶金、建材、礦山、糧食等行業中均有著廣泛應用。

工作原理
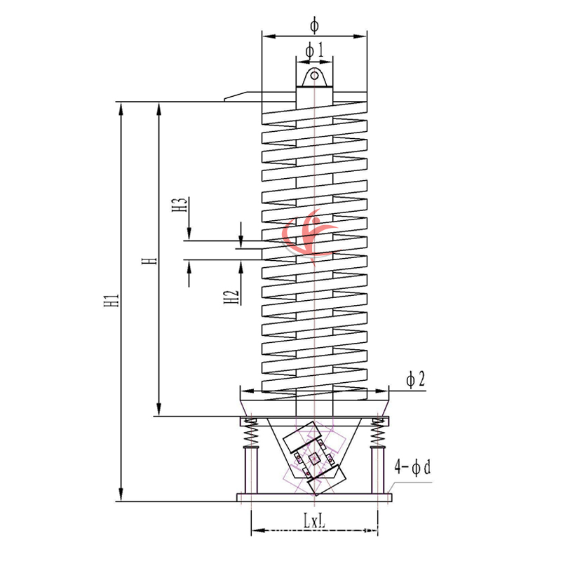
*先要明白垂直振動提升機的結構,主要由提升槽、振動電機、減振系統和底座等組成。垂直振動提升機采用振動電機作為振動源,固定在提升槽上的兩臺相同型號的振動電機中心線交叉一定角度安裝,并做相反方向自同步旋轉,振動電機所帶的偏心塊在旋轉時各個瞬間位置所產生的離心力之分力沿拋擲方向作往復運動,使支承在減振器上的整個機體不停振動,使物料在提升槽內被拋起的同時向上運動,物料落入入料槽后,開始被拋起,此時可以使物料與空氣充分接觸,還可以起到散熱冷卻的作用.該提升機對粉狀、塊狀和短纖維狀的固體物料(有粘性和易結塊的除外)都可垂直輸送,還可以完成對物料的干燥、冷卻作用.分敞開式、封閉式兩種結構。
產品特點
★產品占地面積小,便于工藝布置。
★.物料可向上輸送,亦可向下輸送。
★噪音低,結構簡單,安裝、維修便利。
★結構簡單合理、能耗小,節約電能,料槽磨損小。
技術參數

適用行業

產品細節

產品展示









